《电路理论基础》
----Fundamentals of ElectricCircuit
周杰英
中山大学 计算机学院

电路理论基础(2026)
此群是企业内部群聊,仅企业成员可扫码加入

该二维码7天内(3月9日前)有效
一、 什么是电路 ( circuits )
电路是由若干电气元件相互连接构成的电流的通路。
本课程主要接触的电气元件有:
电阻R、电容C、电感L、二极管D 、 MOSFET (场效应管) 、理想运算放大器、互感线圈、理想变压器
二、为什么要学习电路?
从学术的观点来看
电路是电气工程( electrical engineering )的基础。
– 电路是计算机科学( computer science )的基础。
从实际情况来看
电路原理是许多高级课程的先修课程。
熟练掌握电路原理对现实生活有帮助。
三、 什么是
EECS ?
| 国内习惯的归类与统称 | 各学科领域 | 国外习惯的归类与统称 | |
| 电气工程 | 电力工程 | 电气工程 | |
| 信息科学与技术(或电子信息科学与技术) | 控制工程 | ||
| 通信工程 | |||
| 电子工程 | |||
| 计算机科学与技术 | 计算机科学计算机工程 | ||
| 统称:电气工程与信息科学(或电气电子信息科学) | 统称:电气工程与计算机科学(简称EECS、ECE) | ||
四、电路都有哪些作用?
处理能量
电能的产生、传输、分配……
处理信号
电信号的获得、变换、放大 ……
同时处理信号和能量
– 天线、 CPU 及其供电系统、智能电网……
电气化铁道系统——处理电能

手机通讯系统— 处理信号

电信号的获得、处理、放大
五、 电路原理的后续课程

六、 电路分析与电路综合
电路理论 (电路原理)
电路分析 (analysis)
电路综合
(synthesis)

七、 如何看待电路

本学期的主要内容
线性电阻电路
非线性电阻电路
• 线性动态电路的时域分析
• 线性动态电路的稳态分析
——正弦激励
周期性非正弦激励
电阻电路 动态电路
直流电路 交流电路暂
态分析 稳态分析
电压、 电流和功率
电路的组成
电路的模型
电路的变量
— 电压和电流的参考方向
电路的功率
电路理论基础
教材:《电路基础》 ( 原书第 7 版 - 精编版 ) ,机械工业出版社,周巍、段哲民等译, 99 元。ISBN 978-7-111-72786-6
原版英文版: 《 Fundamentals of ElectricCircuit 》( 7th edit ) : Charles K.Alexander, matthew N. O. Sadiku, 199 元。ISBN 978-7-111-58634-0
教学安排:理论课: 3 学时 / 周,共 54 学时
OXFORD
FundamentalsofElectric Circuits
SEVENTHEDITION
DAVIDBELL
教 与 学
读电路图的能力,明晰各参数的物理意义, 清晰的解题思路;
成绩考查(平时成绩 40% ,期末考试成绩60% 。平时成绩包括作业 35% ,考勤 5% ,)
研究生助教:杨佩宗,杨凯吉
网络学习资源:超算习堂
教 与 学 (续)
前期知识:代数,微积分,复数计算,微分方程
课堂练习,随堂小测(手脑纸笔)
抓大放小, 掌握脉络
核心能力:电路分析 (物理头脑,不是数学头脑)
硬件与软件,电子人才与计算机人才
第一章
基本概念
— Fundamentals of Electric Circuit
电路基础
1.1 介绍
电路中的每个组成部分称为元件。
电路是由电气元件相互连接而成的整体。

电路的组成
电路主要由电源、负载、连接导线及开关等构成。
电源 ( source ):提供能量或信号。
负载( load ):将电能转化为其他形式的能量,或对信号进行处理。
导线( line )、开关( switch )等:将电源与负载接成通路。

电路建模
模型和精度的折中。

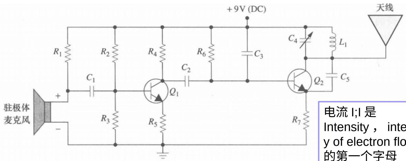
收音机电路
DC: 直流( direct current )
1
直流电压源: direct current voltage source

R:resistance; 电阻
C: capacitor; 电容器;
L: 电感; inductance
为什么电感用L表示???
I表示电流了,纪念科学家LENZ.
计量单位制
表1-1六个基本单位与一个和本书相关的导出单位
| 量的名称 | 单位名称 | 单位符号 | 量的名称 | 单位名称 | 单位符号 |
| 长度 | 米 | m | 质量 | 千克 | kg |
| 时间 | 秒 | s | 电流 | 安[培] | A |
| 热力学温度 | 开[尔文] | K | 电荷量 | 库[仑] | C |
| 发光强度 | 坎[德拉] | cd |
表1-2国际单位制前缀
| 所表示的因数 | 前缀名称 | 前缀符号 | 所表示的因数 | 前缀名称 | 前缀符号 |
| 1018 | 艾[可萨] | E | 10-1 | 分 | d |
| 1015 | 拍[它] | P | 10-2 | 厘 | c |
| 1012 | 太[拉] | T | 10-3 | 毫 | m |
| 109 | 吉[咖] | G | 10-6 | 微 | μ |
| 106 | 兆 | M | 10-9 | 纳[诺] | n |
| 103 | 千 | k | 10-12 | 皮[可] | p |
| 102 | 百 | h | 10-15 | 飞[母托] | f |
| 101 | 十 | da | 10-18 | 阿[托] | a |
电荷的基本概念

基本定义
电荷是物质的一种基本属性,是构成一切电磁现象的基础。
微观构成:
所有物质均由带电粒子组成,如带正电的质子和带负电的电子。

核心性质
两种电荷:正电荷 ( 质子 ) 与负电荷 ( 电子 ) 。
相互作用: 同种相斥, 异种相吸。
守恒定律: 电荷不能被创造或消灭,只能转移。

物理单位
库仑 (C)
为纪念物理学家查尔斯·库仑而命名。
基本常量:
元电荷 (电子电荷量 ) :
2. 电流的定义与单位

图1-3电荷在导体内流动所产生的电流
基本定义
电流是指单位时间内通过导体横截面的电荷量。简单来说,电流就是电荷的定向移动形成的物理量。

单位与换算
主单位:安培 (A) ,定义为 1 库仑 / 秒(1C/s)
辅助单位:毫安 (mA, 10⁻³A) 、微安 (μA,10⁻⁶A)

数学表达式
恒定电流 ( 平均电流 )
随时间变化的电流 ( 瞬时值 )
电流
电流是指电荷的时间变化率,单位为安培( A )
dq i 微分式 tq idt积分式dt
1 安培 = 1 库
伦 / 秒
电荷的单位为库伦 ( C )
注:请自学简单微积分知识
直流电流
直流电流 (DC) 是随时间保持恒定的电流。
(时不变)

直流电流是指只在一个方向上流动并且是恒定的或者随时间变化的。
直流电( DirectCurrent ,简称 DC )是指方向不随时间作周期性变化的电流,但电流大小可能不固定,而产生波形。
恒定电流是直流电的一种,是大小和方向都不变的直流电,它是由爱迪生发现的。
交流电流
交流电流 (AC) 随时间按正弦规律变化的电流。
AC; alternating current ;交替的电流
交流电流是指随时间改变方向的电流。

电流的流动方向
由于定义电荷的运动是电流,所以电流就要有相应的流动方向。如前所述,习惯上取正电荷的运动方向作为电流的流动方向。基于这一国际惯例,一个值为5A的电流既可以表示为正的,也可以表示为负的,如图1-5所示。换言之,图1-5b中沿某个方向流动的一5A的负电流与沿相反方向流动的十5A的正电流是一样的。

(a)

(b)
(a) 正电流
(b) 负电流
图 (a) 和图 (b) 描述的是一样的电流
电荷量的计算
例1-14600个电子带多少电荷量?
解:一个电子的电荷量为 1 . 6 0 2 \times 1 0 ^ { - 1 9 }$$1 0 ^ { - 1 9 } \mathrm { C } \times 4 6 0 0 { = } { - } 7 . 3 6 9 \times 1 0 ^ { - 1 6 } \mathrm { C } △
练习1-1计算 个质子所带的电荷量。
解: Q=1.602×10-19C×6 667 000 000 =1.0680535×10-9C
电流的计算
例1-2 流入端点的总电荷量是 时的电流。
解:
注意 的取值,非三角函数中取3.14,三角函数中取值为180度。
练习1-2例1-2中,如果 ,计算 Os时的电流。
解: i=dq/dt=(-10)(-2)(e-2t)mA
t=1.0s 时
说明: e=2.71828
答案:2.707mA
电流瞬时值计算详解
基于电荷量随时间变化函数的导数求解
问题陈述
已知条件:
电荷量随时间变化的关系为
求解目标:
计算在t= 0.5 s
时刻的瞬时电流
核心定义:电流与电荷量的关系电流的定义是
电荷量随时间的瞬时变化率,
数学表达式为:i(t)=dq/dt
求解思路:对q(t)求导
我们的目标是计算i(0.5)= (dq/dt)在 t=0.5s 时的值。具体步骤分为两步:
1.对q(t)=5t·sin(4πt) 求导,得到电流的一般表达式i(t)。
2.将t=0.5 s代入i(t),计算出具体数值。
求导过程 (1):应用乘积法则
函数 q(t) = 5t ·sin(4πt)
是两个关于t的函数的乘积,
即 f(t)= 5t 和 g(t)= sin(4πt)。
求导时需要使用乘积法则:
求导过程(2):计算f’(t)
首先, 我们对第一个函数
f(t)= 5t 求导, 结果为
求导过程(3):计算g(t)
接下来,我们对第二个函数 g(t)= sin(4πt)求导。
这里需要使用链式法则:
1.设内层函数 ,则外层函数为 sin(u)。
2.先对外层函数求导:d/du[sin(u)]= cos(u)。
3.再对内层函数求导:du/dt = 4π。
4.合并结果:g’(t)= cos(u)·du/dt = 4π ·cos(4πt)。
数值代入:计算i(0.5)
现在我们有了电流的一般表达式,接下来将 t = 0.5 s 代入其中:
计算三角函数值
首先计算表达式中的三角函数部分:
cos(4π × 0.5)= c0s(2π) = 1。我们知道,正弦函数和余弦函数的周期都是2π,所以 sin(2π)= O,cos(2π)= 1。
最终计算
结论
在t=0.5 s时刻,
电路中的瞬时电流为:
(约 31.42 mA)
回顾与总结

核心概念:电流定义
电流是电荷量对时间的导数 i(t)dq/dt 。

数学工具:求导法则
在求解复杂函数时,灵活运用:
• 乘积法则 (Product Rule)
链式法则 (Chain Rule)

标准解题步骤
-
求导得到电流的一般表达式
-
代入具体时间值进行计算

关键技巧:特殊角记忆
计算时注意三角函数的特殊值:
常见电流-电荷量关系求导速查表

核心定义公式
速查表结构预览

恒定电荷量
( 常数 )

线性变化
q(t) = kt
i(t) ( 常数 )

非线性变化
或 e^(at)
或 a·e^(at)
核心定义回顾

电流的定义
在电路分析中,电流 (Current) 的定义是电荷量随时间的瞬时变化率。这意味着电流本质上是电荷量对时间的一阶导数。

数学表达
基于此公式,我们将推导出常见的q(t) 函数形式及其对应的电流i(t) 。
基本函数形式

常数函数形式
电荷量 q(t) :
电流 i(t) :
说明:电荷量不随时间变化,电路中无电流。

线性函数形式
电荷量 q(t) :
数 )
电流 i(t) :
说明:电荷量随时间线性变化,电路中为恒定电流。

幂函数形式
电荷量 q(t) :
电流 i(t) :
说明:应用幂函数求导法则,指数前置并减一。
二、三角函数形式
在相位上, Aω cos(ωt+φ) ⋅ 等价于 Aω sin(ωt+φ+90 ) ⋅ ∘ 。因此,我们说余弦形式的信号比正弦形式的信号相位超前了 90 度。

04. 正弦变化 (Sine Function)
说明:应用链式法则求导,电
电荷量
流相位超前电压 90 度,呈现余

弦形式。

- 余弦变化 (Cosine Function)说明:应用链式法则求导,余
电荷量
弦函数的导数为负的正弦函数,

需注意负号的存在。
三、 指数函数形式

电荷量 ( q(t) ) ( 单位 : C)
( 其中 A, λ 为常数 )
!电流 ( 单位 : A)

说明:指数变化的电荷量,应用指数函数求导法则。常用于描述电路的暂态过程(如 RC/RL 电路充放电)。
四、 常用求导法则
- 和差法则 (Sum/DifferenceRule)
函数形式:
导数结果:
- 商数法则 (QuotientRule)
函数形式:
导数结果: -
- 乘积法则 (Product
函数形式:Rule)
导数结果:
示例: d/dt [5t sin(4πt)] = 5sin(4πt) + 20πtcos(4πt)
- 链式法则 (Chain Rule)
函数形式:
导数结果:
示例: d/dt
电荷的计算
例1-3如果流过端点的电流是 之间流入该端点的电荷量。
解:
练习1-3如果流过某个元件的电流为:
计算 之间流人该元件的电荷量。
练习1-3如果流过某个元件的电流为:
计算 之间流人该元件的电荷量。
解: q = ₀² i(t) dt = ₀¹ i(t) dt + ₁² i(t) dt ∫ ∫ ∫
电流与电荷量计算示例
基于定积分的物理问题求解

建立物理模型
分析电路中电流随时间变化的规律,确定电流函数 I(t) 的表达式,明确积分上下限。

构建积分方程
利用微元法思想,将总电荷量 Q 表示为电流 I(t) 对时间 t 的定积分,即Q = I(t)dt ∫ 。

计算与验证
代入具体数值进行积分运算,求解总电荷量,并对结果的物理意义和单位进行验证。
问题陈述

已知条件:电流函数
电路中某端点的电流随时间变化的函数为:
其中:电流 i 的单位为安培 (A)时间 t 的单位为秒 (s) 。

求解目标:总电荷量
计算在指定时间间隔内,流入该端点的总电荷量
提示:利用电流与电荷的积分关系进行求解。
核心物理公式:电荷量与电流的积分关系

电荷量 (q)
单位:库仑 (C)
表示单位时间内通过导体横截面的总电量。

电流函数 (i(t))
单位:安培 (A)
随时间变化的电流瞬时值,是被积函数。

时间区间 (t₁, t₂)
单位:秒 (s)
积分的上下限,表示测量或计算的起始和终止时刻。
代入已知条件

提取题目参数
电流函数 i(t) :
时间区间 [a, b] :
[1, 2]

构建定积分模型
( 上限 2 ,下限 1)
结论:问题转化为求解该定积分
求解原函数

拆分被积函数

分项积分运算

得到原函数

注:其中 C 为积分常数,在后续计算定积分时,由于上下限相减,C 会被消去,因此在计算定积分时通常可以省略。
计算定积分
步骤 1 :代入上下限
将原函数代入上限 t=2和下限 t=1:
步骤 2 :分别求值
分别计算上限和下限的函数值:
上限值: 8 - 2 = 6下限值: 1 - 0.5 =0.5
步骤 3 :计算差值
上限值减去下限值,得到最终电荷量:
结论

t=1s 到 t=2s 流入端点的总电荷量
5.5 库仑 (C)
总结:通过将电流对时间积分,我们成功求解了特定时间段内的总电荷量,展示了微积分在物理问题中的实际应用。
1.4 电压
电动势 (Electromotive force /emf)
电位差( Potential difference )
1 伏特 = 1 焦耳 / 库伦 = 1 牛顿 · 米 / 库伦
电压
电压 ( 电位差 ) 是指移动单位电荷通过某个元件所需的能量,单位是伏特 ( V )。
(点) 电位 vs 电压 (差)
(点) 电位 vs 电压 (差)
电动势、电位差、电压:什么关系?
是一个意思,不同的名称而已,都是指的电压。
电动势又称为电压(voltage)或电位差(potentialdifference)。
电势、 电位和电压又是什么关系?
电势就是电位,电势差有时候就叫做电位差,也就是电压。
在电路中设定一个参考点,规定其电位为零,即接地点,有时未必接大地,只是接电源的负极。其余各点对参考点的电压值,就是该点的电位值。
电压等于电位差。参考点不同则各点电位值不同,但是各点之间的电压不变。
(点) 电位 vs 电压 (差) — 续
如右图, a 是参考点,电位 Va =0 , Vb = E1 , Ve =- E2 。
电压 U1 = Vb - Vc ,U2 = Vc - Vd 。

直流电压 用 V (大写) 来表
示:
v : voltage
伏特

交流电压 用 v (小写) 来表示:

1.5 功率与能量
功率
功率是消耗或者吸收能量的时间变化率,单位是瓦特( W )。
或
功率 p 是一个时变量,称为瞬时功率 p(t) 。
关联参考方向 / 无源符号规则:
无规则,不方圆!
当电流从元件的正极流入,负极流出时,满足关联参考方向,则 。p vi
当电流从元件的负极流入,正极流出时,不满足关联参考方向,则 。p vi
如果功率值 >0 ,该元件吸收或消耗功率。
如果功率值 <0 ,元件对外提供或释放功率。
是否符合关联参考方向?

(a)

(b)

(a)

(b)
元件吸收功率为 12W 的两种情况:
(a) p = 4 * 3 = 12(W)
(b) p = 4 * 3 = 12(W)

(c)

(d)
元件发出功率为 12W 的两种情况 :
(c)
或
(d)
或
能量
能量是指做功的能力,单位为焦耳( J ) 0
1 度电=1千瓦小时
注意:任何电路都必须遵守能量守恒定律。
吸收的正功率 发出的负功率
例1-4某电源使得2A的恒定电流流过灯泡10s,如果灯泡以光能和热能的形式消耗的能量为 ,计算灯泡两端的电压降。
解:总电荷量为:
电压降为:

练习1-4将电荷 从 点移动到 点所需的能量为25J,计算下面两种情况下的电压降 点电压值相对于
解:( a)=(25J)/(5C)=5V
例 1-5
计算在 t = 3 ms 时该元件所吸收的功率,如果流入某元件正极的电流为:
且该元件两端的电压为: (a) v = 3i,
(b) v = 3 di/dt.
, (a) v = 3i, 已知: i 5 cos 60t A
(b) v = 3 di/dt
解
(a) 电压为 v 3i 15cos 60t
因此功率为:
在 t =3ms 时,所求功率为:p 75cos (60 3 10 ) 75cos 0.18 2 3 2 W53.48
注意: 度,不是3.14
已知:i 5cos 60t A
(b) dtdiv 3 t tV3( 60 )5sin 60 900 sin 60
在 t =3ms 时,所求功率为:
注意:三角函数中,π=180度;否则π=3.14
v = 2 i \mathrm { ~ V , ( b ) } v = \left( 1 0 + 5 \int _ { 0 } ^ { t } i \mathrm { d } t \right) \mathrm { V }$$t = 5 \mathrm { m s }
解a)=p=vi=2ixi=2i²
已知: i 5cos 60t A
(a)p=vi=2i×i= 2i²
当 时,取 ,代入得
题目条件
·电流函数: cos(60πt) A
·计算时刻:t=0.005 s
·注意:60πt单位为弧度,计算时取π=180°
计算 时该元件所吸收的功率。
答案:(a)17.27W,(b)29.7W
(b) 解
·电流表达式:i=5cos(60πt)A
·电压表达式:
·计算积分项:
2.代入 计算瞬时值
·计算相位角:
·计算电压瞬时值:
·计算电流瞬时值:
3.最终结果:瞬时功率计算
瞬时功率公式:
·计算结果:
·结论:当 ms 时,该元件吸收的功率为29.7W。
注意:三角函数中”π=180度’, 非三角函数中”π= 3.14’
已知条件:i=5cos(60πt)A,v=10+5Sidt V
三角函数代值时用π=180°
代入数值( ,cos 54°~ 0.5878,sin 54°~ 0.8090):
以下是电路基础课程中最常用的积分公式,涵盖了基本函数、三角函数和指数函数的积分,这些公式在求解电压、电流、能量等问题时经常用到:
一、基本积分公式
为常数)
2.Sxndx=n+1
二、三角函数积分公式
- Scot(ax)dx = 1 In| sin(ax)| + C 0
三、指数函数积分公式
8
9
四、电路分析中常用的特定积分
10.电容电流积分求电压:
11.电感电压积分求电流:
12.功率积分求能量:
这些是电路基础中最核心的积分工具,熟练掌握它们对于分析动态电路(如含有电容和电感的电路)至关重要。
例 1-6
一个 100W 的电灯泡 2h 消耗的电能是多少?
解 :
即
练习1-6一台家用电热器连接至110V电压的时候电流为10A,计算此电热器工作6个小时消耗的能量为多少。 答案:6.9千瓦·时
解: w=pt=vit=110Vx10Ax6h=6600wh=6.6 千瓦时
1 度电 = 1 千瓦时( kWh )
一度电,就是 1 千瓦时。
纸质版教材上 , 连接至 115V 电压:
w=pt=vit=115vx10Ax6h=6900wh=6.9 千瓦时
1.6 电路元件
无源器件 (passive element)
有源器件 (active element)
理想独立源 (ideal independent source )
理想独立源是指能够提供特定电压或电流,而与其外接电路完全无关的有源元件。
VCR—电压 - 电流关系
理想独立电压 源

理想独立电流 源

电路符号:

(a)

((b)
独立电压源
(a)可表示直流电压源或交流电压源
(b)表示直流电压源

独立电流源
理想的非独立源 (受控源)
理想的非独立 ( 或受控源 ) 是指其所提供的电压或电流受到其他电压或电流控制的有源元件。
1.电压控制电压源 (VCVS)
2.电流控制电压源 (CCVS)
3.电压控制电流源 (VCCS)
4.电流控制电流源 (CCCS)

(a)

(b)
电路符号 :
(a)受控电压源
(b)受控电流源

Q: 这是什么类型的受控源?。。。

Q: 这是什么类型的受控源?
A: 电流控制的电压源
大小和单位: 10i V ,不是 10i A !
例 1-7 (堂练)
计算图中各元件所发出或吸收的功率。

(解题规范:打标签。。。)
解 :
(解题规范)根据图示标签 :

Supplie发出功率
Absorb吸收功率
Absorbe吸收功率
Supplie提供功率
练习1-7计算图1-16的电路中每个元件吸收的功率或发出的功率。
解: p1=(-5v)x(9A)=-45W;

答案:
1.7 应用实例
某家庭一月份耗电量为 400 kW·h ,按照如下电费标准,确定该家庭当月的电费账单 :
每月的基本供电服务费 $12.00 。
每月第一个 100kW·h 按 16 美分 /kW·h计费。
之后的 200kW·h 按 10 美分 /kW·h 计费。
超过 200 kW·h 按 6 美分 /kW·h 计费。
解 :
电费账单计算如下:
每月的基本供电服务费 = $12.00
第一个 100 kWh ×16.00
之后的 200 kWh × 20.00
剩余的 100 kWh × 6.00
总电费 = $54.00
$54平均价格 13.5 美分 / kW·h100 200 100
例1-9 某家庭一月份耗电量为700kW·h,按照如下电费标准确定该家庭当月的电费
每月的基本供电服务费$12.00。
超过
解:电费账单计算如下:
每月的基本供电服务费 = \ 12.00$
之后的
剩余的
一月份的总电费 = \ 72.00$
平均价格

练习1-9参考例1-9中电费的计算方法,如果某家庭七月份大部分时间外出休假,只用了 的电量,计算该月每千瓦时的平均电费。答案:14.571美分/kW·h
解:平均电费 = ( 0.16100+0.0650 ) /350 kW·h=$0.1456 /kW·h =14.56 美分 /kW·h
例1-10


解: (V1-5)/2+V1/8+(V1+3)/4=0 (kcl)
本章小结:
电路由若干相互连接在一起的电路元件构成。
电流是在给定方向下某点电荷变化的速率:
电压是指移动 1C 电荷所需要的能量:
功率是指单位时间所发出或吸收的能量,也可以用电压与电流的乘积表示:
按照关联参考方向,如果电流从元件电压的正极流入,则功率计算式的符号为取正。
一个理想的独立电压源,无论两端连接什么元件,总是给出特定的电位差;一个理想的独立电流源,无论其两端连接什么元件,总会产生特定的电流。
电压源和电流源可以是受控源,也可以是独立源,受控源的大小受电路中其他变量的控制。
本章重点与难点
i , v, p 正负号的确定及其物理意义(代数,代数!);
关联参考方向 / 无源符号约定 (规则);
受控源是(对某种功能电路)的一种数学模型或电路模型,不是具体的某种电子器件。
测验题
则其两端的电压为:
(a)电压控制电流源
(b)电压控制电压源
(c)电流控制电压源
(d)电流控制电流源

答案
答案
本章作业
画出本章思维导图
1.18 (功率)
1.20 (电压, 电流)
1.23 (能量,功率)
1.36 (能量,电流) 注:原题所述“额定功率”应为“额定容量”
- 自学:微积分初步
注:请各位独立完成。 计算结果请以小数形式呈现,勿使用分数形式。