第 3 章

分析方法

Fundamentals of Electric Circuit电路基础

Scientists study the world asit is, engineers create the worldthat never has been.

— Theodore von Karman

Fundamentals of Electric Circuit

拓扑约束

元件约束

KCL

KVL

VCR

I (i)

V (v)

P (p)

2 大基本法:

5 大定理:

元件( R,C,L )

电路( DC,AC )

暂态,稳态

时域,频域

电耦合,磁耦合

3.2 节点分析法

(— 本节只含电流源 , 不含电压源 )

节点分析法 : 通过列节点电流方程,求得节点电压

确定节点电压的步骤 :

  1. 选一个节点作为参考节点,以此点作为电压的参考电位,假设剩下的 n-1 个节点的电压为v1,,v2,……vn-1 。

  2. 将基尔霍夫电流定律应用于 n-1 个非参考节点,并根据欧姆定律用电压来表示支路电流 .

  3. 求解联立方程,得到未知节点电压 . ( (n-1) 个方程,解 (n-1) 个节点电压.)

参考节点(地) 的常用符号

a)公共地

c)机壳地

例右图

1: 选定参考节点 ( 节点 O ,其

2: 列写所有非参考节点的 KCL 方程:

注意:给假设的参数( i1,i2 )打标签!

节点 1

节点 2

3 : VCR : 1 0 ,vi -= 2 i = 1 2 , v v i - =

符号规则 : 在电阻中,电流从高电位( + )流向低电位( - ):

题图

(b)

打标签!

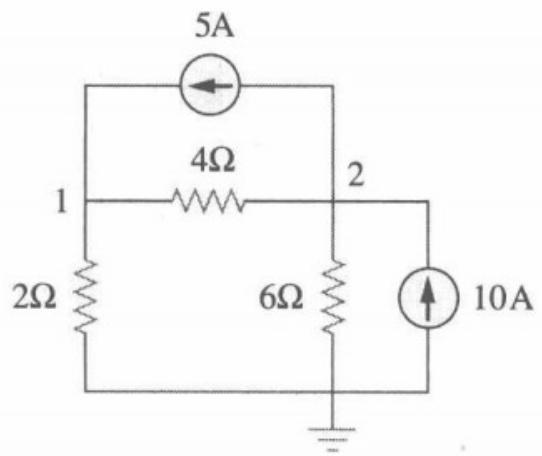
例3-1 计算图3-3a所示电路中各节点的电压。

解: V1/2=5+(V1-V2)/4

a)原始电路

b)分析电路

练习3-1求图3-4所示电路的节点电压。

解: 14=v1/4+(v1-v2)/5

答案:

例 3-2 : (详

解)

确定图 (a) 中各节点的电压。

解: (标签 原始方程!)

如图 (b) 所示:

选取参考节点 ; 假设节点电压 ; 标记电流

(a) 题图

(b) 第 1 步:打标签

(a) 题图

(b) 电路分析

x i  i 13 X

1i = 1 3v v-4

KCL 方程

② x 2 3

③ 1 2

VCR 方程

⑤ xi2

⑦ 2 0vi -=

(a)

(b)

解方程组,得

练习 非参考节点的电压

解: 4= ( V1-V2)/3+(V1-V3)/2

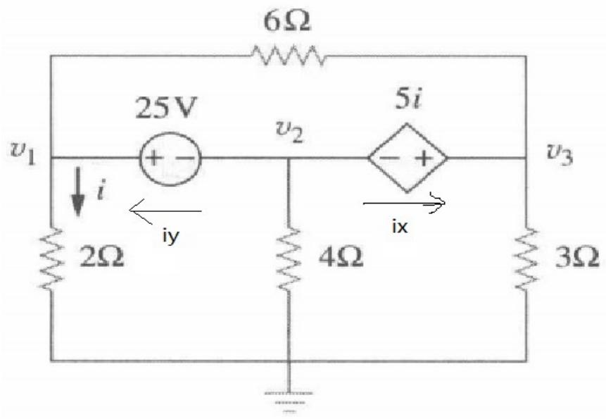
3.3 含电压源的节点分析法 (改)

超节点(广义节点)?

大道至简!

少即是多,以不变应万变。。。

举例

如图 , 求各节点电压。

解 :

a)对超节点应用KCL

b)对回路应用KCL

a)对超节点应用KCL

b)对回路应用KCL

举例

如图 , 求节点电压。

解决方案 :

④ 。。。

⑤ 。。。⑥ 。。。

⑦ 。。。

注意 :

1 , 10Ω 电阻并联 2V 电源,原电路可化简为 … ,前提是不影响外所求电路参数(即外电路等效)。

2 , 2V 电压源上的电流 i2 。。。

练习3-3求图3-11所示电路中的v与i。

解:

答案:-400mV,2.8A

例题:求图 3.7 中各节点的电压?(堂练)

解: i1+i4=i2+i3

图 3.7 (堂练)

解决方案 : ( 原来的方案)

假设电压源电流 i5;

然后根据电压源特性增补方程:

例3-4 求图3-12所示电路中的节点电压。

解: V1/2+(V1-V4)/3+(V2-V3)/6=10

a)对两个超节点应用KCL

b)对回路应用KVL

解:

上课讨论。。。。

把两个电压源和 6Ω 电阻看成超节点,得到第一个式子

用克莱姆法则求解。

3.4 网孔分析法

列回路电压方程,求网孔电流(支路电流)

(本节讨论不带电流源,只含电压源的情况)

网孔

网孔是指不包含其他任何回路的一条回路。

相邻网孔之间的支路电流 相邻网孔的网孔电流的代数和

确定网孔电流的步骤 :

  1. 定义各个网孔的网孔电流
  1. 应用基尔霍夫电压定律 于 n 个网孔。用欧姆定律以网孔电流来表示各个电压。

3 求解 n 个联立方程得到网孔电流 . 。

通常假定每个网孔电流都是顺时针流动的,左下角起始。

表示网孔电流,用 I 表示支路电流。

网孔 1,

网孔 2 ,

2 个方程, 2 个未知数( ),可解! 1 2i , i

举例 例 3-5 (堂练)

(标签 原始方程!)

如下图 , 用网孔分析法求支路电流

解决方案 :

网孔 1,

网孔 2,

解得:

练习3-5计算图3-19所示电路中的网孔电流

解:

答案: A

例 3-6 : ( 堂练 )

用网孔分析法求图中的电流 i

解决方案

网孔 1,

网孔 3,

网孔 2,

节点 A,

解得: i1 2.25A, i2 0.75A, i3 1.5A

但是在节点 处有

利用克莱姆法则计算的各网孔电流为:

练习3-6利用网孔分析法计算图3-21所示电路中的I。。

解: 6x i1-2x i2-4xi3=16 (1)

3.5 含电流源的网孔分析法

(堂练)

( 1 )和( 2 )相加合并得:

超网孔。和( 3 )式一起可以求得解。

举例(例 3-7 ) ( 堂练 )

如图 , 用网孔分析法求 i1 、 i2 、 i3 、 i4.

解:

假设 5A 和 3i0 这两个电流源的电压分别为 V1 和 V2

网孔 1 :②

网孔 2 :

而 i0 = -i4⑤

电流源支路 :

⑥5A=i2-i1

⑦3i0 =i2 - i3

网孔 3 :

练习3-7利用网孔分析法求图3-25所示电路

解:超级网孔

5 ( i1-i3 ) +10 ( i2-i3)+20i2=24

书上的答案:

答案:

练习3-7利用网孔分析法求图3-25所示电路

解:超级网孔 ( 最外围):

网孔 3 : 5(i3-i1)+5xi3+10x(i3-i2)=0

i1-i2+0i3=4 (3) ∆=25+400+50=475

书上的答案:

答案:

3.7 节点分析与网孔分析比较

两种方法可以混用。

也可选择方程个数较少的方法 :

如:含有多个串联元件的网络选用网孔法;而具有多个并联元件的网络选用节点法。

或:对于节点数小于网孔数的电路,采用节点法;对于网孔数小于节点数的电路,采用网孔法。

3.9 应用 : 直流晶体管电路

双极型晶体管 (BJTs) 分为两种类型:

(a) npn, (b) pnp

每种器件都有 3 个极,分别命名为

发射极 (E) 、基极 (B) 和集电极 (C)

Base

Emitter

B

Base

Emitter

B

晶体管的终端变量 :

(a) 电流 , (b) 电压 .

图 (a) 应用基尔霍夫电流定律得 :

图 (b) 应用基尔霍夫电压定律得 :

通常 , ( 硅管 ), 0.3V( 锗管)

被称为共基极电流增益 , 被称为共发射极电流增益。通常 , 值在 0.98 到 0.999 范围,而 值在 50 到 1000 范围。

(a) npn 晶体管

(b) 等效电路

实例 1 :

求晶体管电路中的 IB , IC, 和 v0 。 假设晶体管在放大模式(一般工作模式),

。。。

解决方案 :

对于输入回路 ,

放大模式时, VBE=0.7V :

对于输出回路 ,

注意 ,而

实例 2 :

如图中所示双极型晶体管电路 , 、 VBE=0.7V 。 求 v0 。

解决方案 :

我们可以用两种方法来解决这个问题:

方法 1 是直接分析上图中的电路;

支路电流法

方法 1

对于回路 1,

(3.13.1)

对于回路 2, Þ (3.13.2)②

对于回路 3 ,

从公式 3.13.1) 和 (3.13.2), 得:13 A, 2 0.71 3   I  9.5 A 1  2  I I I B1 100 10 

将 IC 代入公式( 3.13.3),v0 16  1.425 14.575V

方法 2 : 我们可以用晶体管的等效模型,替换原电路。

①输出回路: 0 1000( 150 ) 16 0 B- + - + = v I

输入端: ② ) A 9.5 A  

因此

3.10 总结

节点分析法是基尔霍夫电流定律( KCL )在非参考节点上的应用。 ( 适用于平面电路和非平面电路。)我们用节点电压来表示结果。

网孔分析法是基尔霍夫电压定律( KVL )在平面电路中的应用。我们用网孔电流来表示结果。解联立方程得到网孔电流。

分析电路时,可以同时使用节点分析法和网孔分析法(拓扑约束),需要时补充元件约束( VCR )方程。 54 54

复习题

9PSpice软件中,电流控制电压源的名称为:

10以下关于伪元件IPROBE的叙述中哪些是不正确的?

(a)它必须是串联连接

(b)它绘制出支路电流的波形

(c)它显示其所连接支路的电流

(d)并联连接后,可显示电压

(e)它只用于直流分析

(f)它并不应用于某个具体电路元件

本章重点及难点

注意到任何元器件(包括电压源和电流源)都有加在其两端的电压及流过它的电流。

初学者不建议搞太多模型,一个通用模型,便可助你玩转所有电路!

大道至简, 大巧若拙!

本章作业

 画出本章思维导图

3.3

 3.10

 3.30

 3.41

 3.62

注:以上各题节点法与网孔法可随意结合使用。